Our hermetic feedthrough connectors provide exceptional sealing with leak rates below 1 x 10⁻⁹ ccHe/sec and a temperature range of -65°C to 260°C, ensuring reliable protection and stability in extreme conditions.
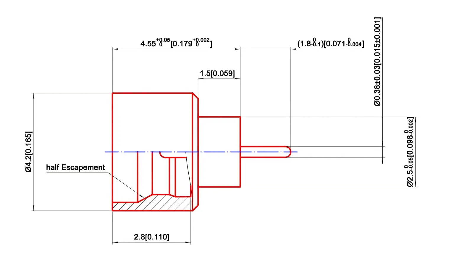
When you need reliable microwave connectivity in demanding environments, GPO Hermetic Feedthrus deliver the exceptional sealing and electrical performance your applications require. Our SMP(M)-JHD1 hermetic seal connectors combine precision engineering with advanced materials to ensure reliable signal transmission from DC to 40GHz. These specialized feedthrough connectors offer superior environmental protection while maintaining excellent electrical characteristics for critical military and commercial applications.

Our hermetic feedthrough connectors provide exceptional sealing with leak rates below 1 x 10⁻⁹ ccHe/sec and a temperature range of -65°C to 260°C, ensuring reliable protection and stability in extreme conditions.
Electrical performance matters in high-frequency applications. Our connectors deliver:
The low-loss glass insulation creates precisely matched impedance seals that minimize signal degradation. This design approach ensures you maintain signal quality throughout your system.
We use premium materials to ensure long-term reliability:
These materials work together to provide the durability and performance characteristics you need for mission-critical applications.

Defense applications demand the highest reliability standards. Our GPO Hermetic Feedthrus meet rigorous military specifications including:
Commercial applications benefit from the same robust design principles. Industries using these connectors include:

| Parameter | Specification |
|---|---|
| General Specifications | |
| Product Name | SMP(M)-JHD1 Hermetic Seal Connector |
| Impedance | 50 Ohms nominal |
| Frequency Range | DC to 40GHz |
| Temperature Range | -65°C to 260°C |
| Electrical Performance | |
| VSWR | 1.4:1 to 40GHz typical |
| Insertion Loss | .09 √f (GHz) |
| DWV @ Sea Level | 300 Vrms |
| Insulation Resistance | 2,000 megohms minimum |
| Outer Conductor Resistance | 2 milliohms maximum |
| Inner Conductor Resistance | 6 milliohms maximum |
| Hermetic Sealing | |
| Leak Rate | < 1.01325 X 10⁻³ Pa*cm³/s |
| < 1X 10⁻⁹ mbar*l/s | |
| < 1 x 10⁻⁹ ccHe/sec @ 1 atm | |
| Materials | |
| Housings | Kovar 4J29 with gold plating |
| Center Contacts | Kovar 4J29 with gold plating |
| Insulators | 7050 or 7070 Type glass |
| Mechanical Data | |
| Mating Cycles | FD-100 min, LD-500 min, SB-1,000 min |
| Engagement Force | FD–7.0lb typ, LD–5.0lb typ, SB–3.0lb typ |
| Disengagement Force | FD–9.0lb typ, LD–7.0lb typ, SB–0.5lb typ |
Compact form factors help you optimize your system layouts. The low-loss glass insulation technology allows for reduced space requirements compared to traditional sealing methods. This means you can achieve hermetic sealing without compromising your design constraints.
Durability translates to lower total cost of ownership. Our connectors are designed for extended service life with:
Quality starts with precision manufacturing. Our strict production process management ensures consistent performance across all units. Every connector undergoes comprehensive testing to verify electrical and mechanical specifications before shipment.

Every application has unique requirements. We specialize in developing custom hermetic feedthrough solutions tailored to your specific needs. Our engineering team can work with you to optimize connector specifications for your particular application requirements.

As a leading manufacturer of precision electronic components, we bring extensive experience in hermetic connector design and manufacturing. Our facility in Xi'an combines advanced manufacturing capabilities with rigorous quality control processes.
Ready to discuss your GPO Hermetic Feedthrus requirements? Contact our technical team at postmaster@cymicrowave.com to explore how our solutions can enhance your system performance and reliability. We're here to help you find the perfect hermetic feedthrough solution for your application.