SMA Panel Connector - Premium RF Panel Mount Solutions
Your Trusted Source for High-Performance Panel Mount Connectors
When you need reliable RF signal transmission through equipment panels, our SMA Panel Connector delivers exceptional performance and durability. Designed specifically for panel and bulkhead mounting applications, this connector provides seamless RF signal connections between the inside and outside of your equipment panels. Whether you're working with microwave equipment, base stations, or precision test instruments, our product ensures optimal signal integrity across demanding applications.
At Shaanxi Chuangyu Electronic Technology, we understand the critical importance of reliable panel connections in your RF systems. Our connectors feature tail pin surface mount welding for secure installation and maintain 50-ohm nominal impedance for consistent performance.


Why Choose Our Product Solutions?
Superior Design Features
Our SMA Panel Connector incorporates advanced engineering to meet your most demanding requirements. The stainless steel passivated housing provides excellent corrosion resistance and mechanical strength. Gold-plated beryllium copper center contacts ensure low insertion loss and superior conductivity over extended service life.
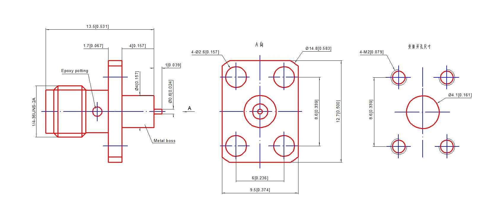
Versatile Installation Options
Select from numerous mounting arrangements, counting 2-hole and 4-hole choices. Our connectors bolster both straight and 90-degree spiral plans, giving adaptability for tight spaces and particular board requirements.
Proven Reliability
Each connector experiences thorough testing to meet military-grade guidelines, guaranteeing execution beneath cruel conditions. It withstands 500+ mate/demate cycles whereas keeping up electrical determinations and resistance to warm stun and salt splash.

Technical Specifications
| Parameter |
Specification |
| General Specifications |
|
| Impedance |
50 Ohms nominal |
| Frequency Range |
DC to 18GHz |
| Operating Temperature |
-55°C to 165°C |
| Electrical Performance |
|
| VSWR |
1.25:1 to 18GHz typical |
| Insertion Loss |
.03√f (GHz) |
| DWV @ Sea Level |
1500 Vrms |
| Insulation Resistance |
5,000 megohms minimum |
| Contact Resistance (Outer) |
2 milliohms maximum |
| Contact Resistance (Inner) |
3 milliohms maximum |
| Materials |
|
| Housing |
Stainless Steel Passivated |
| Center Contacts |
Beryllium Copper Gold |
| Insulators |
PTFE |
| Mechanical Data |
|
| Mate/Demate Cycles |
500 cycles |
| Engagement Force |
≤0.23N.m |
| Connection Torque |
0.79N·m - 1.13N·m |
| Withstand Torque |
1.69N·m |
Applications and Industries
Telecommunications Infrastructure
Your base station equipment requires reliable panel feedthrough connections for antenna systems and RF distribution networks. Our connectors provide the durability and performance needed for continuous outdoor operation.
Test and Measurement
Laboratory instruments and automated test equipment benefit from our precision-engineered panel connectors. The low insertion loss and excellent VSWR characteristics ensure measurement accuracy across the full frequency range.
Medical Equipment
RF medical devices require consistent signal transmission through equipment enclosures. Our connectors meet stringent safety standards while providing reliable performance in critical healthcare applications.
Aerospace and Defense
Military and aerospace applications demand connectors that withstand extreme environmental conditions. Our MIL-STD tested connectors deliver proven reliability in mission-critical systems.
Our customers

Quality Assurance and Compliance
Every SMA Panel Connector manufactured at our facility undergoes comprehensive quality testing. Our ISO-certified production processes ensure consistent performance and reliability. All products comply with RoHS and REACH environmental standards, supporting your sustainability initiatives.
Our state-of-the-art testing laboratory validates electrical performance, mechanical durability, and environmental resistance. This rigorous approach guarantees that each connector meets or exceeds published specifications.

Custom Solutions Available
We understand that standard configurations may not meet every application requirement. Our experienced engineering team can develop custom panel connector solutions tailored to your specific needs. From unique mounting configurations to specialized materials, we work closely with you to deliver optimal solutions.
Get Started Today
Ready to enhance your RF system with premium panel mount connectors? Our technical team helps select the right configuration and provides support throughout the design process for optimal performance and reliability.
For technical specifications, custom solutions, or ordering information, contact our experts at chuangyuwz01@cymicrowave.com. We're committed to delivering the high-quality connectors your projects demand.
Trust Shaanxi Chuangyu Electronic Technology for all your SMA Panel Connector and RF connector needs. With our extensive experience in precision electrical connectors and commitment to innovation, we're your ideal partner for successful project outcomes.