Looking for reliable RF connectivity in your panel mounting applications? The N Panel Connector represents the perfect balance of performance, durability, and versatility for your electronic systems. This medium-sized strung connector conveys extraordinary flag judgment whereas keeping up strong mechanical solidness in requesting situations. Whether you're working on communication frameworks, mechanical hardware, or aviation applications, the item gives the dependable association you require for ideal performance.

The item stand out in the RF network advertise due to their special strung coupling component and panel-mount plan. These connectors exceed expectations where space imperatives and natural challenges request solid performance.
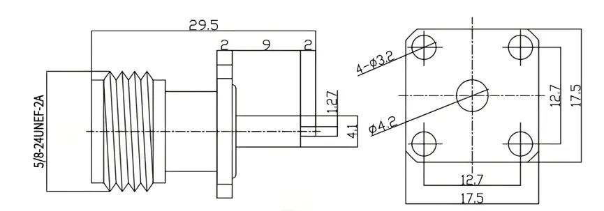
The 5/8-24 strung coupling guarantees secure associations beneath vibration and stretch. With an IP67 rating, these connectors offer waterproof unwavering quality and fabulous electrical execution up to 6GHz, guaranteeing negligible flag reflection and ideal control exchange.

| Parameter | Specification |
|---|---|
| Impedance | 50 Ohms nominal |
| Frequency Range | DC to 6GHz |
| Temperature Range | -55°C to +125°C |
| VSWR | 1.25:1 to 6GHz typical |
| Insertion Loss | .05 √f (GHz) |
| DWV @ Sea Level | 2500 Vrms |
| Insulation Resistance | 5,000 megohms minimum |
| Contact Resistance (Outer) | 0.3 milliohms maximum |
| Contact Resistance (Inner) | 1 milliohms maximum |
| Mate/Demate Cycles | 500 cycles |
| Engagement Force | ≤0.23N.m |
| Connection Torque | 0.79N·m - 1.13N·m |
| Withstand Torque | 1.2N·m |
| Component | Material |
|---|---|
| Housing | Nickel-plated brass |
| Center Contacts | Beryllium copper gold |
| Sealing Ring | Silicone rubber |
| Insulators | PTFE |
Base stations and antenna systems benefit from the reliable RF performance and weather resistance. The N Panel Connector’s threaded connection ensures stable signal transmission even in high-vibration tower environments.
Manufacturing equipment requiring RF connectivity appreciates the robust construction and long service life. The panel-mount design simplifies equipment integration and maintenance.
RF medical equipment demands precise signal integrity and reliable connections. These connectors meet stringent medical device requirements while providing excellent electrical performance.
Military and aerospace applications require components that perform reliably under extreme conditions. The wide temperature range and environmental resistance make these connectors ideal for critical applications.

As a leading manufacturer in precision electrical connectors, we bring years of expertise to every product. Our facility in Chang'an Innovation and Technology Industrial Park combines advanced manufacturing with rigorous quality control.
Our connectors undergo extensive testing to meet international standards, ensuring reliable performance. When standard products don't fit, our team specializes in custom solutions, modifying designs or creating new ones tailored to your specific needs.

Ready to enhance your RF connectivity? Our technical team stands ready to help you select the right connector configuration for your specific application. We provide comprehensive support from initial specification through installation guidance.
Contact us at postmaster@cymicrowave.com to discuss your requirements. We'll work with you to ensure you get the optimal N Panel Connector solution for your project needs.
Whether you need standard configurations or custom modifications, we have the expertise and manufacturing capability to deliver reliable RF connectivity solutions that exceed your expectations.